Оптимальное решение для проектов, связанных с отоплением, кондиционированием воздуха, сжиганием мусора
Универсальные преобразователи давления серии PTF30 отличаются высокой надежностью, доступной ценой и имеют множество функций, в том числе установка диапазона входного сигнала, использование двух единиц измерения и регистрация пиковых значений


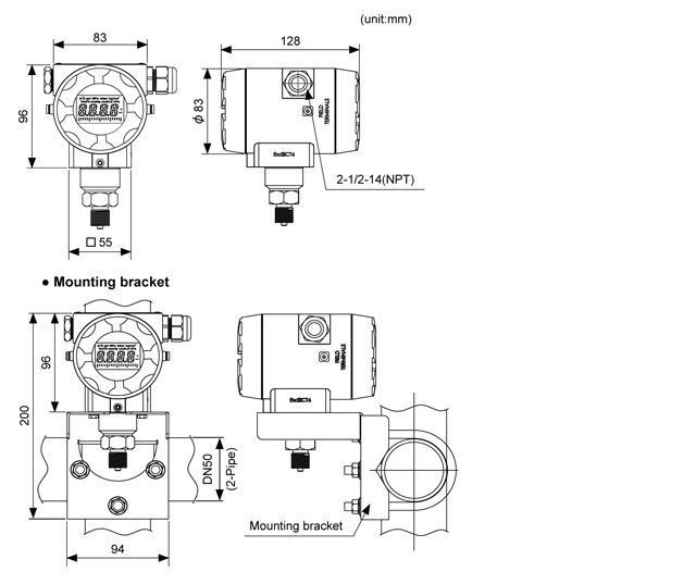
| Серия | PTF30 | |
| Рабочие среды | Пар, жидкость, текучие среды (кроме сред коррозионных для SUS316) | |
| Напряжение питания | 15–35 В= | |
| Способ индикации | 4-разрядный, 12-сегментный ЖК-дисплей | |
| Размер знака | Знак показаний: 6,24 (Ш) × 10,73 (В) мм (12-сегментный). Знак ед. изм.: 1,45 (Ш) × 2,5 (В) мм | |
| Выход | 4–20 мА=, 2-проводной. Нижний предел — 3,6 мА (-2,5 %). Верхний предел — 21,6 мА (+10 %) | |
| Точность※1 |
• 10 % от ДИАПАЗОНА < ВПИ: ±(0,05 + 0,015 × ВПИ/ДИАПАЗОН) % от ДИАПАЗОНА. • 10 % от ДИАПАЗОНА ≥ ВПИ: 0,2 % от ДИАПАЗОНА |
|
| Температурная характеристика | ±(0,075 % × ВПИ + 0,15 % × ДИАПАЗОН) при +20 °C | |
| Способ настройки | Клавиши лицевой панели | |
| Период дискретизации | 300 мс | |
| Диэлектрическая прочность | 1000 В~ в течение 1 минуты (между внешним выводом и корпусом) | |
| Вибрация | Амплитуда 0,75 мм при частоте 5–55 Гц (в течение 1 мин) по каждой из осей X, Y, Z в течение 2 часов | |
| Сопротивление изоляции | Мин. 100 МОм (при 500 В= по мегомметру) | |
| Помехоустойчивость | Шум прямоугольной формы ±2 кВ (ширина импульса — 1 мкс) от имитатора шума | |
| Элемент питания памяти | Приблиз. 10 лет (энергонезависимая полупроводниковая память) | |
| Условия хранения и эксплуатации | Температура окружающей среды | -20...+70 °C, хранение: -20...+80 °C |
| Влажность | 0–85 % относительной влажности | |
| Материалы | Корпус: алюминий (AIDc.8S). Уплотнительное кольцо крышки: бутадиенакрилонитрильный каучук. Мембрана: SUS316. Соединения: SUS316 | |
| Взрывозащищенная конструкция※2 | Ex d IIC T6 (IP67) | |
| Сертификация | CE | |
| Масса | 1,2 кг | |
※1. ДИАПАЗОН — пользовательский диапазон [L-R G до H-R G].
ВПИ — верхний предел измерения модели.
※2. Класс взрывозащиты гарантирован компанией Konics Co., Ltd.
※ Сведения о рабочих условиях окружающей среды приведены для условий без замораживания и конденсации.


Отличительные особенности
Универсальные преобразователи давления серии PTF30 отличаются высокой надежностью, доступной ценой и имеют множество функций, в том числе установка диапазона входного сигнала, использование двух единиц измерения и регистрация пиковых значений.