
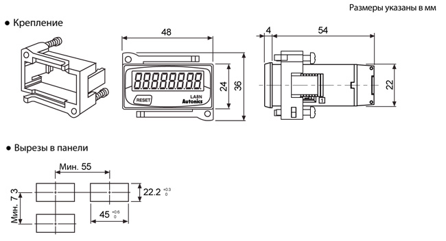
Таймеры с ЖК-дисплеем DIN 48 (Ш) × 24 (В) мм (только индикация)
Компактные таймеры с 8-разрядным ЖК-дисплеем серии LE8N работают более 10 лет (при температуре приблиз. +20℃) от внутреннего литиевого аккумулятора без подключения дополнительных источников питания. Еще одним преимуществом приборов этой серии является защитная крышка для выводов.

| Модель | LE8N-BN | LE8N-BN-L | LE8N-BV | LE8N-BV-L | LE8N-BF | |
| Разрядность | 8 разрядов (0...99999999) | |||||
| Размер знака | 3,4 (Ш) × 8,7 (В) мм | |||||
| Тип дисплея | ЖК-дисплей с функцией гашения нуля (высота знака: 8,7 мм) | |||||
| Режим работы | Прямой счет | |||||
| Источник питания | Встроенная батарея | |||||
| Срок службы батареи | Более 10 лет при +20 °C | |||||
| Напряжение питания подсветки | - | 24 В= ±10 % | - | 24 В= ±10 % | - | |
| Сигнальный вход | Вход без напряжения | Вход напряжения | Вход напряжения с широким рабочим диапазоном | |||
| Вход счетчика (счетчик) |
Остаточное напряжение: макс. 0,5 В=. Импеданс короткого замыкания: макс. 10 кОм. Импеданс в разомкнутом состоянии: мин. 750 кОм |
Напряжение выс. уровня: 4,5-30 В= Напряжение низк. уровня: 0–2 В= |
Напряжение выс. уровня: 24–240 В~/6–240 В= Напряжение низк. уровня: 0–2 В~/0–2,4 В= |
|||
| Вход сброса (RESET) | Вход без напряжения | Вход напряжения | Вход без напряжения | |||
| Мин. длительность сигнала | сигнальный вход, вход сброса (RESET) мин. 20 мс | |||||
| Длительность интервала времени 1 (TS1) | 9999.59.59 (ч.м.с), 99999.59.9 (ч.м), 999999.59 (ч.м) | |||||
| Длительность интервала времени 2 (TS2) | 9999.23.59(д.ч.м), 9999d23.9 (д.ч), 99999999(с) | |||||
| Длительность интервала времени 3 (TS3) | 9999h59.9 (ч.м), 99999h59 (ч.м), 999999.9h (ч) | |||||
| Временная погрешность | ±0,01 % (временная погрешность, температурная погрешность) | |||||
| Переключатели настройки | SW1 ※1, SW2 ※2, SW3 ※3 | |||||
| Сопротивление изоляции | Мин. 100 МОм (при 500 В= по мегомметру) | |||||
| Диэлектрическая прочность ※4 | 2000 В~, 60 Гц в течение 1 минуты | |||||
| Вибрация | Повреждение | Амплитуда 0,75 мм при частоте 10–55 Гц (в течение 1 мин) по каждой из осей X, Y, Z в течение 1 часа | ||||
| Неисправность | Амплитуда 0,3 мм при частоте 10–55 Гц (в течение 1 мин) по каждой из осей X, Y, Z в течение 10 минут | |||||
| Ударная нагрузка | Повреждение | 500 м/с2 (30G) по каждой из осей X, Y, Z 3 раза | ||||
| Неисправность | 100 м/с2 (30G) по каждой из осей X, Y, Z 3 раза | |||||
| Условия хранения и эксплуатации | Температура окружающего воздуха | -10 ... +55°C, хранение: -25 ... +65°C | ||||
| Влажность | 35–85% относительной влажности, хранение: 35–85% относительной влажности | |||||
| Степень защиты | IP66 (с водонепроницаемым уплотнением для лицевой панели) | |||||
| Комплектующие | крепеж, водонепроницаемое уплотнение | |||||
| Сертификация | CE, UL | |||||
| Масса ※5 | Приблиз. 96 г (приблиз. 50 г) | |||||
※1: SW1 - переключатель включения/выключения клавиши RESET (Сброс) на лицевой панели.
※2: SW2 - переключатель установки интервала времени.
※3: SW3 - переключатель для выбор длительности интервала времени (TS1, TS2 или TS3).
※4: Вход без напряжения, вход напряжения: между зажимами и корпусом. Вход напряжения с широким диапазоном: между соответствующим входным зажимом и входным зажимом входа сброса, между зажимами и корпусом.
※5: Первое значение - масса брутто, второе значение (в круглых скобках) - масса нетто.
※ Сведения о рабочих условиях окружающей среды приведены для условий без замораживания и конденсации.


Отличительные особенности
* Обновление: модель с входом напряжения и подсветкой, длительность интервалов времени.
* Встроенная литиевая батарея.
* Тип сигнального входа: вход без напряжения, вход напряжения, вход напряжения с широким рабочим диапазоном.
* Винтовые зажимы (с защитной накладкой).
* ЖК-дисплей.
* Степень защиты IP66.