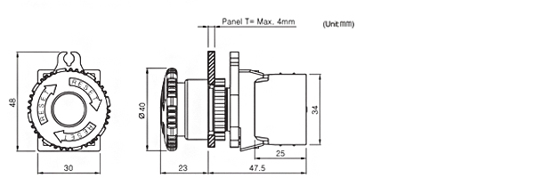
Аварийные выключатели с кнопкой D40 (выступающий тип), Ø 22/25 мм
Аварийные выключатели с кнопкой D40 Ø 22/25 мм S2ER-E3 (выступающий тип) имеют съемный блок контактов. Благодаря применению серебряных контактов, обеспечивающих повышенную износостойкость, низкое сопротивление и превосходную дугостойкость, эти выключатели отличаются долговечностью и высокой нагрузочной способностью по току.





* Для применения в аварийной ситуации (принудительный ручной возврат).
* Блок контактов, снимаемый с помощью отвертки:
простое присоединение дополнительных контактов.
* Повышенная износостойкость, низкое сопротивление контактов и превосходная дугостойкость, благодаря применению серебряных контактов, и, как следствие, увеличенная долговечность и высокая нагрузочная способность по току.